油流指示器(YZQ型)
-
所属分类:润滑元器件
- 点击次数:0
- 发布日期:2020-02-13
详细介绍
一、使用条件
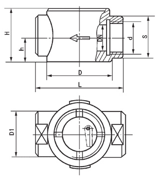
YXQ型油流发讯器用于稀油润滑系统。润滑设备通过它可直观地观察到油流流动状况并可通过其发讯装置发出油量不足或断流信号,从而实现远距离监视或控制,适用介质为粘度等级N22~N460的润滑油。
通径DN10~50为螺纹连接,DN80为法兰连接。公称压力为0.4MPa
二、技术参数

三、型号标注说明
四、使用要领
1、油流方向与油流发讯器指示方向应相同。
2、开关需要通过负载后再接至电源,以免造成开关损坏。
3、输出形式如需常闭或输出电流有特殊要求在订货时应注明;若不注明接近开关型式,则配置PNP型直流三线型。
产品简介
本产品适用于重型,矿山等各种机械稀油循环润滑系统中观察管路中油的润滑设备流动情况。适用介质粘度等级为N22-N460。与系统管路联接时,壳体上的流向箭头方向必须和管路内介质流向相同。
型号标注说明



