021-65435660
网站首页
关于上润
企业简介
企业资质
企业文化
企业风貌
行业新闻
联系我们
企业宣传片
产品展示
润滑系统设计方法介绍
智能润滑系统原理
智能润滑图片展示
润滑设备产品展示
润滑设备及元器件
稀油润滑装置
液压装置及系统
列管式冷却器系列
选型手册
智能润滑
公司资质
资质证书
荣誉证书
财务信息
新闻中心
公司新闻
行业新闻
联系我们
企业宣传片
企业宣传片
企业PPT
企业PPT
产品展示
润滑系统设计方法介绍
智能润滑系统原理
智能润滑系统
智能润滑主控柜
智能润滑泵
智能润滑分油箱
智能润滑管路配置
智能润滑上位机
智能润滑喷油系统
智能集中润滑系统演示视频
智能润滑系统PPT
智能润滑图片展示
润滑设备产品展示
润滑设备及元器件
电动润滑泵
手动润滑泵
脚踏润滑泵
气动润滑泵
电动加油泵
手动加油泵
双线分配器
单线分配器
换向阀
压力控制器
压力操纵阀
压差开关
调压阀
喷射阀
GGQ-L/P型干油过滤器
GQ-K10型干(浓)油过滤器
UZQ过压指示器
DXF-K型单向阀
AF-K10型安全阀
1791型气动升降架
润滑元器件
润滑电气控制箱
稀油润滑装置
润滑装置
润滑元器件
液压装置及系统
液压装置
液压系统元器件
列管式冷却器系列
列管式冷却器概述
列管式GL系列冷却器
列管式SGLL型双联油冷却器
列管式LQ系列冷却器
列管式LC系列冷却器
列管式OR多管系列冷却器
列管式LQG系列船用冷却器
选型手册
液压装置及系统
您的当前位置:
首 页
>>
产品展示
>>
液压装置及系统
上海润滑设备厂创建于1966年,是冶金设备标准化技术委员会委员单位,也是润滑行业国家标准制订的主要单位。2007年转制为上海润滑设备厂有限公司。主要生产:智能润滑系统及元器件、集中润滑设备及元器件。是一家集设计、制造、销售、安装、服务为一体的专业生产型企业。销售热线:021-65435660
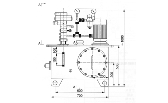
挡轮液压站(NC一14)
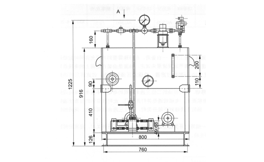
挡轮液压站(TBY一12型)
共2条
1
沪公网安备31011002007329号