DB-N系列单线润滑泵(31.5MPa)
-
所属分类:电动润滑泵
- 点击次数:0
- 发布日期:2024-08-03
产品简介
DB-N系列的单线润滑泵适用于润滑频率较低,润滑点在50点以下,智能集中润滑公称压力为31.5MPa的单线式中小型机械设备集中润滑系统中,直接或通过单线分配器向各润滑点供送润滑脂的输送供油装置。
该泵适用于冶金,矿山、港口、运输、建筑等设备的干油润滑。
型号说明
技术参数
使用介质为锥入度不低于265(25℃,150g)1/10mm的润滑脂或粘度等别大于N68的润滑油,工作环境温度为-20~80℃。
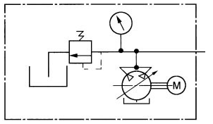
图形符号
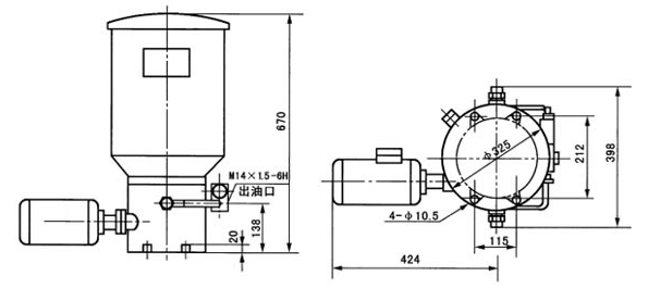
外形尺寸
使用说明
1、多点润滑泵应安装在环境温度,灰尘少,便于补脂检查、维护***等都方便的场合。
2、向贮油器内补脂使用加油泵从贮油器的加油口注入,严禁揭盖加入不经过滤的工作介质。
3、按贮油器筒壁上旋向牌规定的旋向进行电机接线,不得反转。
4、给油口数可在1~14 范围内任意选择,根据设备需要不用的柱塞泵元件可以自行拆下,螺孔用M20×1.5螺塞封堵可。



