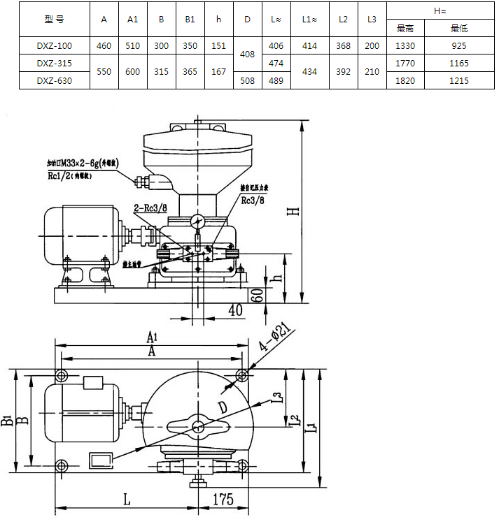
DXZ系列电动干油站
-
所属分类:电动润滑泵
- 点击次数:0
- 发布日期:2024-08-03
产品简介
DXZ-J系列干油站适用于润滑频率低,公称压力为10Mpa的双线式干油集中润滑系统中,作为供送润滑剂的输送装置。
该系列电动干油站是一种由电动机直接驱动,经减速带动压油柱塞泵元件从而排出润滑脂的电动干油站。一般与双线给油器配用,由安装在系统管路末端的压力操纵阀来控制电磁阀的换向,实现交替向系统两供油主管供油的功能。
型号说明
使用说明
1、该系列电动干油站应安装在环境温度不错,灰尘少,便于调整、检查、维修和拆洗及补脂方便的地方。
2、该系列电动干油站应尽可能布置在系统的中间的位置,缩短系统配管长度,保持低压力降,使泵能产生可以克服润滑点背压的压力。
3、使用前需要先向干油站减速箱加入50#机械油至油标规定液面。
4、向贮油器内补脂需要使用DJB-200型电动加油泵从贮油器的加油器的加油口加入,在贮油器内无润滑脂有情况下严禁启动电动泵运转。
5、电磁换向阀上留有连接接口为Rc3/8的自己压力表接口,如不需要时可用Rc3/8螺塞堵死。
6、电磁换向阀上的调压阀,可以在0~10MPa范围内任意调节,在使用时不允许过泵的公称压力(10MPa)。
7、干油站初用二个月需要拆下电磁阀二端电磁铁检查接合面处有否润滑从顶杆密封处渗漏出,如有渗漏应及时替换密封件以免 烧坏电磁铁,以后注意,经常检查。
8、该系列电动干油站为室内安装型,在室外或环境恶劣的场合使用时,需要采取防护措施。
外形尺寸



