挡轮液压站(TBY一12型)
-
所属分类:液压装置
- 点击次数:0
- 发布日期:2020-01-15
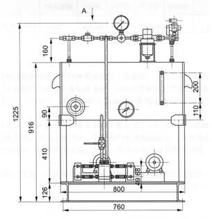
TBY-12型挡轮液压站装有两套可调流量微量计量泵,正常工作时,油泵一台工作,一台备用,在特殊需要时亦可允许同时启动两泵,系统最高压力为10MPa,最低压力为4MPa,油缸上行速度由变量微量油泵来调定,油缸下行时的速度由节流阀来调定,润滑设备油温是由装在油箱上的双金属电接点温度计来控制电加热器的关闭,油站系统有一台精度为10mm的精过滤器,确保液压油的清洁。过滤器压差达到0.35MPa时报警,并及时更换过滤器滤芯。
油站在启动窑的同时接通工作油泵,迫使窑体向上移动,此时回油的二位三通电磁球阀的电磁铁不通电,电磁阀处于关闭状态,当挡轮座上行碰到上行限位开关时,油泵电机断电,电磁球阀通电并打开阀门,此时靠窑体的自重使油缸中的油经精过滤器、节流阀、二位三通电磁球阀排回油箱。油缸下滑碰到下限开关时,二位三通电磁球阀断电,关闭回油管路,同时油泵启动,重复上述推窑上行动作。
产品简介
回转窑托轮应平行于窑体中心线安装,窑体为倾斜放置,在自重作用下有下滑的趋势,采用液压推力挡轮液压站,使窑体按预想的速度(一般约2~3mm/h),强制上窜或有控制地下滑,从而有效地保证轮带与托轮的均匀接触和磨损,并节省托轮调整的工作量。
液压挡轮正常上下游动的行程为±lOmm,当上下游动的行程达到15mm时,应发出报警讯号,当上下游动达到极限行程(±30mm)时,应立即停止对主电机供电。允许通过调整限位开关的位置对上述控制行程作±1~2mm的少量变动。
下一篇:没有了



