2LQF1L 型冷却器
-
所属分类:列管式LQ系列冷却器
- 点击次数:0
- 发布日期:2020-01-17
2LQF1L型冷却器轩工阀门生产厂家,质量牢靠、价格合理、良好的售后服务。不断完善的质量管理体系及的技能开发团队2LQF1L型冷却器产品对工况的适用性、使用时间长等特点。良好2LQF1L型冷却器供应商为您提供型号、资料、尺寸。制造设备,近十载2LQF1L型冷却器制造经验,为海内外用户提供高质量2LQF1L型冷却器产品。
2LQF1L型冷却器工作原理:
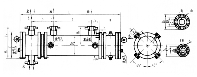
列管式冷却器的热介质是由筒体上的接管,顺序经各折流通道,曲折地流至接管出口。而冷却介质则采用双管程流动,即冷却介质由进水口经分水盖进入一半冷却管之后,再从回水盖流入另一半冷却管进入另一侧分水盖及出水管。冷却器介质在双管程流过程中,吸收热介质放出的余热由出水口排出,使工作介质保持额定的工作温度。
2LQF1L型冷却器水垢的清洗:
1、物理清洗办法:固定管板式的可以用水泵刷子冲洗,如果是抽芯式即浮头式的就可把管束抽出来冲洗;
2、化学清洗:方法当积垢由疏松变为致密、硬质后,采用机械 清洗方法己达不到清垢目的,此时宜采用酸洗的方法。盐酸不用预热就能容易地溶解碳酸钙和碳酸镁水垢,因此酸洗液一般为常温盐酸溶液。酸洗虽然能比较好的疏松水垢和恢复冷却器表面的正常状态,但盐酸对冷却铜管有腐蚀作用。为了保护冷却器管壁不受盐酸的侵蚀,在酸洗液内需要加入添加剂,即强烈地迟滞金属溶解过程的物质。我们选用的添加剂为苯骈三氮唑,即BC-801水稳定剂,使用浓度为3%左右。根据经验,若能够按时进行机械清洗,酸洗可2a--3a进行1次;反之,需每年进行1次酸洗。
型号说明
2LQF1L型冷却器尺寸示意图



